欢迎光临工业插头插座厂家官方网站!

明装器具插头

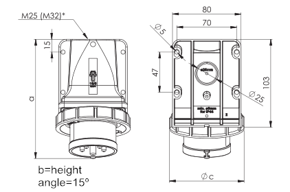
  • CEE-5132-4/5232-4

CEE-5132-4/5232-4

  • 013-4.jpg

    电       流   Current(A): 16A/32A

    电       压   Voltage(V):   110-130V~

    极       数   No. of poles: 2P+E

    防护等级  Protection degree: IP67


5132.png


16Amp

32Amp

Poles

3

4

5

3

4

5

a

136

138

140

150

153

152

b

99

94

100

104

104

102

c

71

79

87

93

93

102

m

25

25

25

25

25

25

Wire flexible [mm²]

1-2.5

2.5-6


友情链接: 浙ICP备20241089162222号 CEE工业插座箱 工业插头插座厂家