电 流 Current(A): 63A/125A
电 压 Voltage(V): 220-380V~/240-415V~
极 数 No. of poles: 3P+N+E
防护等级 Protection degree: IP67
63Amp
125Amp
Poles
3
4
5
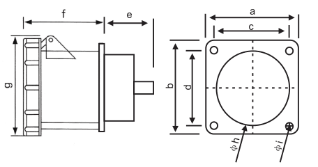
a×b
100
120
c×d
80
e
54
68
f
84
90
g
113
126
h
70
85
i
7
Wire flexible [mm²]
6-16
16-50
CEE-313-4/323-4
CEE-313/323
CEE-314/324
CEE-315/325
CEE-3132-4/3232-4
CEE-3132/3232
公 司:工业插头插座厂家
联系人:陈经理
电话:0577-27880261
手机:13336902095
E-mail:cngoogle@163.com
地 址:浙江省乐清市柳市工业区
Copyright 2026 工业插头插座厂家 版权所有 公司地址:浙江省乐清市柳市镇工业区 联系电话: 13336902095 陈经理